相关图片
zx7一250电焊机电路图电焊机线路板zx7-250/380v上海通用逆变直流电
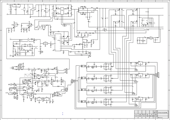
自制250逆变焊机电路图第1页
ar-300型直流弧焊机电路-光电显示电路图-电子产品世界
该线路可在电焊机不工作时使交流电源切断,由此可以消除空载损耗,达到
瑞凌焊机线路图!
cn1846923a_单相节能直流电焊机失效
一种变压器输出直流脉冲的点焊机脉冲输出控制电路的制作方法
高频电焊机电路图
无忧文档 所有分类 工程科技 电力/水利 佳士tig200交直流氩弧焊机
逆变焊机完整电路图 图片合集逆变焊机电路图wsm-200逆变氩弧焊机电路
关于电焊机电路图分析,这四个可控硅有什么用?
大家看一下多多学习逆变焊机完整电路图 图片合集逆变焊机电路图wsm