zx7一250电焊机电路图电焊机线路板zx7-250/380v上海通用逆变直流电
ws-160直流氩弧焊机的电路图
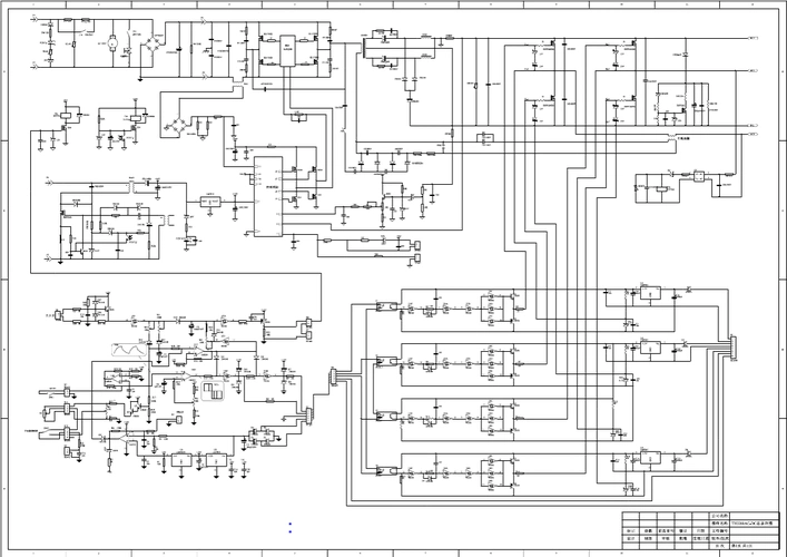
自制250逆变焊机电路图第1页
ar-300型直流弧焊机电路-光电显示电路图-电子产品世界
zx7-200逆变直流焊机控制芯片uc3846内部功能及引脚介绍
该线路可在电焊机不工作时使交流电源切断,由此可以消除空载损耗,达到
cn1846923a_单相节能直流电焊机失效
电焊机电路
大功率igbt高频逆变电焊机电路图
一种变压器输出直流脉冲的点焊机脉冲输出控制电路的制作方法
高频电焊机电路图
zxg-500型直流弧焊机电路zxg系列整流器式直流弧焊机采用硅整流电路.
> 韩国性感美女组合tara写真桌面壁纸图片下载6(1920x1080)
罗云熙晒照为新剧《长月烬明》预热,歪嘴笑的样子痞帅感十足,白西装白
闺蜜头像,姐妹头像无水印,点赞暴富
霹雳布袋戏练习生红尘雪谜题
《海底小纵队》幼儿涂色图片下载-红豆饭小学生简笔画大全
人龙大战,,实在是精彩,这段看30遍都过瘾!
头像漫头女头简约小清新
矢量创意设计双十一天猫logo图
绕线式与鼠笼式电动机性能上的区别?
电脑照片怎么打包发送微信
菠萝和凤梨的区别(但真有区别)_好房365
品质感动世界—广汽丰田