不要问我生活是什么,生活就是要过得如花似玉94
【彩铅教程】歪风格:q版如花,哇哈哈哈哈哈
"如花"
掌管后宫的如花
一人之下如花祝新年快乐
如花爱抠鼻3微信表情
如花图片搞笑头像大全重口味点击鼠标右键下载
公子我是你的如花呀微信表情
快赏如花大红包吧~#微信表情
如花.png
卡通手绘如花
杨颖15岁闯荡日本旧照曝光网友难怪黄晓明扛不住
跨境不锈钢钛金字电镀铜金属立体拉丝房地产工地发光楼盘排栅挂网
是帅气的甲贺忍蛙呀
胡军版天龙八部好在哪里
草原天路十大最美丽的公路之一の坝上草原七彩森林骑马篝火烤全羊
67 - 斗图表情包 - 斗图神器 - adoutu.com
瞧!彩泥"蛋糕"制作完成了!
相亲的搞笑动图表情包
动漫人物,卡通,海贼王,角色,电脑壁纸,壁纸海贼王剧场版动漫人物
各大名家紫砂壶大师的印章款识全集内附图片
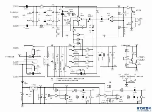
新手制作 0-30v 10a 线性可调电源
工程结算单范本_第1页