有动漫的血腥图片吗,男的,只要带血就可以
怒月血瞳|月夜天狗红黑色系帅气男生头像 这个回眸,你爱了吗?
壁纸|美丽的沾满鲜血的恶魔~吸血鬼特辑欣赏!
动漫带血的头像图片大全
求有血的动漫人物图
炫酷霸气动漫图片男生带血【点击鼠标右键下载】
二次元~帅哥~血瞳
黑暗系动漫男生图片,要有背景,人物最好是黑头发蓝眼睛,当然有血更好
血瞳二次元男生头像 - 动漫头像 - 潮人个性网
伤感的动漫图片,最好有带血.
二次元帅哥
我要一些帅气的带血的动漫的qq头像
焦虑男人图片
任嘉伦白衣古装照:国超哥哥好帅呀~
星黛露画画教程
盘点运动场上的那些尴尬的瞬间有的让人脸红
居家女人资料照片_广东广州征婚交友_珍爱网
夕阳红,旗袍秀,俏娘们
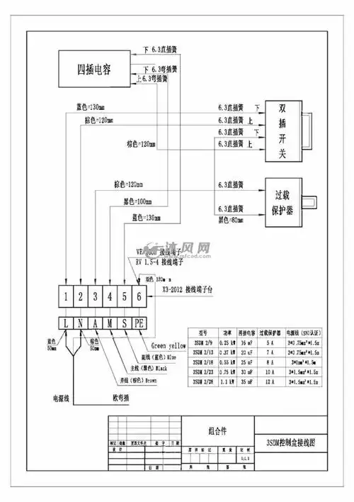
3sdm控制盒接线图
大哲学家尼采经典名言,艺术壁纸-回车桌面
mhk节气丨芒种芒种,连收带种 - 学校新闻 - 美华幼儿园
眼镜王蛇作为万蛇之王却是不折不扣的食蛇者
鱼缸放在客厅的最佳位置鱼缸客厅风水
白色背景上的黑线海豚. 手绘矢量图形.