43页ppt详解垃圾焚烧炉的种类及工作原理
空间燃烧型焚烧炉炉型及工作原理
燃烧示意图
锅炉燃烧器的工作原理是什么
锅炉燃烧自动控制分解
燃烧炉人孔内填充保温材料?
图3-30 循环流化床锅炉燃烧技术原理示意图 〔61
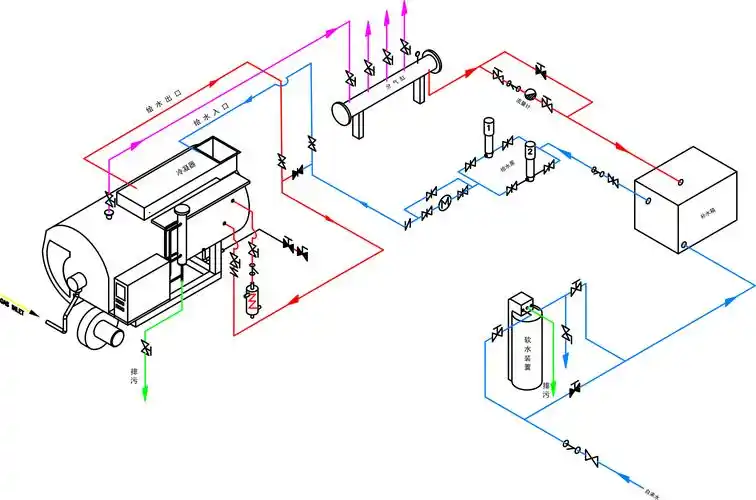
锅炉燃烧系统部分
一种废气焚烧炉燃烧系统的制作方法
炉排燃烧型焚烧炉炉型及工作原理
的工作原理和系统组成,结合该燃烧器在恒运电厂6号锅炉的成功应用情况
kic型燃烧催化环保炉
复古风拼贴壁纸
林俊杰记得吉他谱c调和弦指法高清六线图片谱天虹乐器简单分角弹唱版
饿狼传说张靓颖简谱
课外阅读摘抄名言名句
川西旅游必去十大景点推荐
自在极意100形态的悟空居然跟全王融合了
中国风毛笔字福字png透明无水印图片素材免费分享下载
皮卡丘放电小视频
新到奔驰slc260奔驰敞篷跑车 260 朱颜特别版
实用的日常款女生常用类型帽子
中国十大名胜古迹是指1985年由《中国旅游报》发起并组织全国人民经过
皮卡丘壁纸【35】壁纸是一款电脑壁纸,属于动漫分类